Я ищу
Самара
Самара, Самарская область — Вы находитесь тут?

ФИЗ.ЛИЦАМ:

+7(495) 032-01-77

water@bwt.ru
Самара
Самара, Самарская область — Вы находитесь тут?

Воздуходувка BWT Café R
Воздуходувка BWT Café R

Воздуходувка BWT Café R PTHB15

арт. 88080305
Производительность, м3/ч
Выгода: 0 ₽
Скидка 0% 137 955
137 955
с НДС без учета стоимости доставки
icon
Страна производства: Китай

Воздуходувки для аэромассажа Café R

Воздуходувки для аэромассажа от компании BWT серии Café R — это оборудование для создания воздушных потоков в системах гидромассажа спа и джакузи. Серия предназначена для работы в частных и коммерческих спа-зонах.

Безопасность и надёжность как стандарт

Конструкция разработана для работы при температурах до 50°C. Двигатели имеют сертификацию CE и рассчитаны на непрерывную работу.

Ключевые особенности

Диапазон производительности
Серия включает модели производительностью 2.4 м³/мин (Café R
15) и 3.6 м³/мин (Café R 20) для точного подбора под параметры спа-зоны.

Стабильное давление
Воздуходувки обеспечивают стабильное давление 160/190 мбар (Café R
15) и 180/190 мбар (Café R 20) для эффективной работы гидромассажных форсунок.

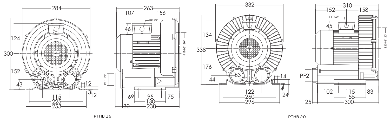
Технические характеристики

Модель: Café R 15 - Мощность: 1.1 кВт / Производительность: 2.4 м³/мин / Уровень шума: 63 дБ
Модель: Café R
20 - Мощность: 1.5 кВт / Производительность: 3.6 м³/мин / Уровень шума: 70 дБ

Напряжение: ~230 В / 50 Гц для всех моделей серии.

Воздуходувки от компании BWT серии Café R — профессиональное решение для коммерческих и частных спа-комплексов с гарантией стабильной работы в интенсивном режиме эксплуатации.

 

Модель Воздуходувка BWT Café R PTHB15 Воздуходувка BWT Café R PTHB20
Артикул 88080305 88080306
Номинальная мощность
1.1 кВт 1.5 кВт
Напряжение ~230 В / 50 Гц ~230 В / 50 Гц
Номинальный ток 7.0А 10А
Макс. объём воздуха (м³/мин) 2.4 м³/мин 3.6 м³/мин
Статическое давление 160/190 180/190
Уровень шума 63 дБ 70 дБ
Тип предохранительного клапана
MF12 MF16
Комплектация Воздуходувка BWT Café R Воздуходувка BWT Café R
Вес 16.5 кг 26 кг
Страна производства Китай Китай
Воздуходувка BWT Café R
Вопросов пока нет :(

Описание

Закрыть
Закрыть

Характеристики

Закрыть
Закрыть

Комплектация

Закрыть
Закрыть
Закрыть